在线咨询
联系电话
400-1688-286
联系微信
回到顶部
资料下载
技术支持
产品说明书
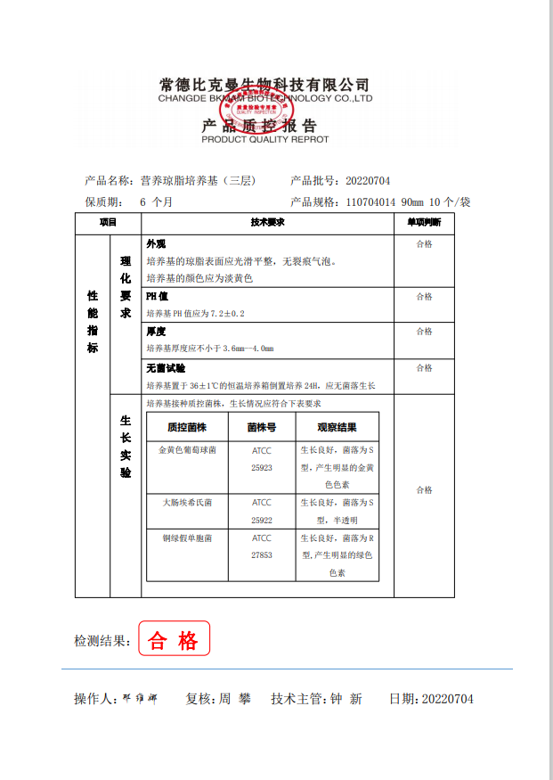
比克曼生物 营养琼脂平板 (三层包装) 9cm 10个袋 110704014 20220704
以上为内容导读,完整内容请点击下方图标下载